Daugiau prekių.
Prekių nerasta

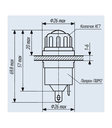
Signalinės lemputės В12s/12 laikiklis FŠM-3B Ø22mm su balta matinė linze, lizdas B12S

Предназначен для работы с лампами накаливания Imax-0,003А, Umax-95В, с колбами диаметром 12,5 мм, цоколь В12s/12.
Skaityti daugiauShow less
Kaina 0,35 € (su PVM)
Turime sandelyje
Prekės kodas:
ФШМ-3б
Produkto Aprašymas
ФШМ-3б
Atsiliepimai
Nėra komentarų
6 kitos prekės toje pačioje kategorijoje:
Nuoroda: ФШМ-1Б
Kaina 0,40 € (su PVM)
Фонарь ФШМ 2 с регулировкой освещенности для ламп с колбами Ø12 мм, цоколь В9s/14 по ГОСТ 17100-79 Цвет – б, ж, к, з, с I max - 0,54А, U max - 36В Диапазон рабочих температур от минус 60 °С до плюс 85 °С...

Meniu

MENIU