Click for more products.
No produts were found.

Signalinės Lemputės laikiklis FŠM2 Ø16mm su žalia linze, lizdas E10

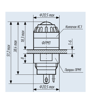
  • Фонарь ФШМ 2 с регулировкой освещенности для ламп с колбами Ø12 мм, цоколь В9s/14 по ГОСТ 17100-79
  • Цвет – б, ж, к, з, с
  • I max - 0,54А, U max - 36В
  • Диапазон рабочих температур от минус 60 °С до плюс 85 °С
  • Минимальная наработка на отказ по приемкам «1», «3» – 10 000 часов, по приемкам «5», «7» – 20 000 часов
  • Способ крепления – гайка
  • Габаритные размеры (мах) Ø20,5х61,8 мм с лампой
Read moreShow less
Kaina €0.30 (tax incl.)
Turime sandelyje
Reference:
ФШМ 2--ž
Product Details
ФШМ 2--ž
Reviews
No comments
6 other products in the same category:

Menu

MENIU